أخبار

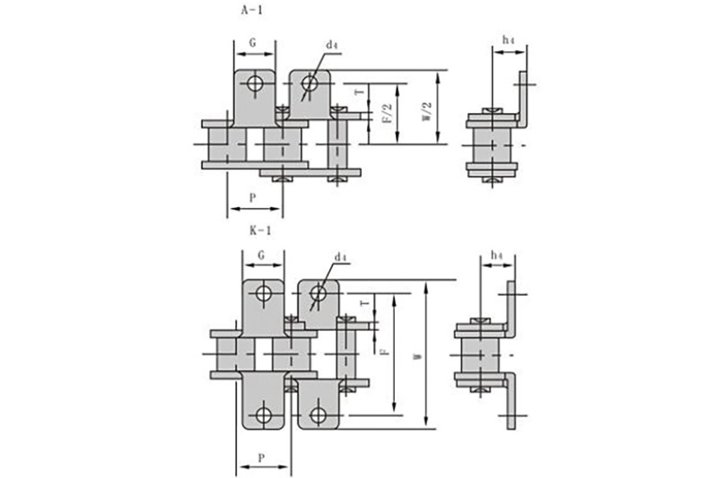
تقدم الشركة المصنعة لسلسلة الناقل هيكل السلسلة الميكانيكية

تقدم الشركة المصنعة لسلسلة الناقل هيكل السلسلة الميكانيكية

سلسلة الناقل قدم المصنع أن هيكل السلسلة الميكانيكية عبارة عن أسنان مسننة، وأخاديد مسننة، وأوجه نهائية، وأوجه عادية، ودوائر إضافية، ودوا...

ما هي طرق ارتداء العجلة الصناعية

ما هي طرق ارتداء العجلة الصناعية

ما هي طرق ارتداء ضرس صناعي ؟ 1. التآكل الكاشطة: هو جلخ سطح السن الناتج عن سقوط الجزيئات الأجنبية الصغيرة على سطح السن العام...

4 طرق التشحيم الشائعة لسلسلة الأوراق

4 طرق التشحيم الشائعة لسلسلة الأوراق

بغض النظر عن مدة استخدام السلسلة، فإنها تحتاج إلى صيانة دورية. على سبيل المثال، يعد التنظيف والتشحيم من الطرق لإطالة عمر السلسلة. دعونا نتحدث عن...

كيفية استخدام السلسلة الصناعية بشكل معقول وصحيح

كيفية استخدام السلسلة الصناعية بشكل معقول وصحيح

السلسلة الصناعية هي سلسلة شائعة جدًا، وتستخدم بشكل أساسي في البيئة الصناعية، لذا ما الذي يجب الانتباه إليه عند استخدام هذا النوع من السلسل...

كيفية تنظيف وإصلاح السلسلة الصامتة بشكل صحيح

كيفية تنظيف وإصلاح السلسلة الصامتة بشكل صحيح

التشغيل العادي ل السلسلة الصامتة يعتمد على الصيانة والحماية المعتادة للسلسلة. بالنسبة للسلسلة التي تحتاج إلى التنظيف، يوصى باستخدام م...

احتياطات التثبيت لسلسلة الدراجات النارية

احتياطات التثبيت لسلسلة الدراجات النارية

سلسلة دراجة نارية جزء مهم من الدراجات النارية. وتتمثل مهمتها في جعل الدراجات النارية تقود وتدير الدراجات النارية. ثم دعونا نلقي نظرة عل...

ما هي الصناعات التطبيقية لسلسلة الأسطوانة

ما هي الصناعات التطبيقية لسلسلة الأسطوانة

بسبب وظائفها المحددة، سلسلة الأسطوانة لديها طريقة تجميع مختلفة عن السلاسل الأخرى، مما يخلق قوة تحمل فريدة وقوة سحب لسلسلة الأسطوانة. ...

ما هو دور سلسلة القيادة

ما هو دور سلسلة القيادة

في الحياة اليومية، يمكننا أن نرى في كثير من الأحيان جميع أنواع سلسلة القيادة . ببساطة، السلسلة عبارة عن حلقة مصنوعة من المعدن، ومن ثم...

3 طرق للحكم على جودة سلسلة الأسطوانة

3 طرق للحكم على جودة سلسلة الأسطوانة

3 طرق للحكم على جودة سلسلة الأسطوانة : 1. يمكن تمييز جودة السلسلة عن المظهر ويعتمد ذلك بشكل أساسي على تشوه السلسلة، وكذل...

استراتيجية تنظيف سلسلة القيادة

استراتيجية تنظيف سلسلة القيادة

سلسلة القيادة استراتيجية التنظيف: 1. استخدمي الماء الساخن والصابون، أو معقم اليدين، أو استخدمي فرشاة أسنان مهملة، أو فرشاة أكثر...

الاحتياطات اللازمة لاستخدام السلسلة الزراعية

الاحتياطات اللازمة لاستخدام السلسلة الزراعية

احتياطات استخدام السلسلة الزراعية : 1. موثوقية جيدة وقابلية الصيانة. يجب أن تكون السلسلة مقاومة للبيئات الخاصة مثل مقاومة الت...

معرفة صيانة سلسلة النقل

معرفة صيانة سلسلة النقل

ال سلسلة النقل هو هيكل نقل بالغ الأهمية في المعدات الميكانيكية، مما يؤثر على أداء العمل وعمر الخدمة للمعدات. لذلك، من الضروري جدًا ال...