أخبار

مهارات صيانة السلسلة الصامتة

مهارات صيانة السلسلة الصامتة

السلسلة بشكل عام عبارة عن رابط أو حلقة معدنية، والتي تستخدم في الغالب لنقل الحركة الميكانيكية والجر. دعونا نلقي نظرة على طرق الصيانة السلس...

ما هي الأسباب الشائعة للأضرار التي لحقت بسلسلة الدراجات النارية

ما هي الأسباب الشائعة للأضرار التي لحقت بسلسلة الدراجات النارية

سلسلة دراجة نارية ، كجهاز قوة نقل شائع، يستخدم تصميم "سلسلة" قوس زائدي لتقليل الاحتكاك. يتم استخدامه في الأماكن التي تكون فيها الطاقة كبيرة ن...

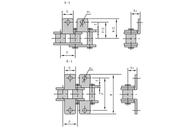
ما هي أجزاء سلسلة الأسطوانة

ما هي أجزاء سلسلة الأسطوانة

ما هي أجزاء من سلسلة الأسطوانة ؟ 1. عمود الدبوس: عنصر أسطواني رفيع يستخدم كمحور دوران لمفصلة سلسلة. 2. الدبوس الص...

يقدم مصنعو سلسلة القيادة العلاقة بين السلسلة والعجلة المسننة

يقدم مصنعو سلسلة القيادة العلاقة بين السلسلة والعجلة المسننة

سلسلة القيادة قدم المصنعون أن العجلة المسننة يتم تشغيلها بواسطة سلسلة، وتكون وحدة النموذج باللغة الإنجليزية بشكل عام. هناك صف واحد، صف ...

تقدم الشركة المصنعة للسلسلة الزراعية إعداد السلسلة

تقدم الشركة المصنعة للسلسلة الزراعية إعداد السلسلة

السلسلة الزراعية تقدم الشركة المصنعة أن السلسلة يجب أن تكون مستعدة للتحقق مما إذا كانت هناك براغي في السلسلة قبل البدء، وأن الأجزاء اله...

تقدم الشركة المصنعة لسلسلة النقل كيفية الحفاظ على السلسلة

تقدم الشركة المصنعة لسلسلة النقل كيفية الحفاظ على السلسلة

عندما تخضع السلسلة لمعالجة مضادة للصدأ لحل عملية التشغيل، من الضروري مسح معجون التخليل على سطحها أولاً، والتأكد من أن سمك الطلاء هو 0.5-3 ملم، و...

لماذا تعاني سلسلة الأوراق من مشاكل انحراف شائعة؟

لماذا تعاني سلسلة الأوراق من مشاكل انحراف شائعة؟

مع اتجاه التطوير المستمر في مجال سلسلة الفولاذ المقاوم للصدأ، تم أيضًا استخدام منتجات سلسلة الفولاذ المقاوم للصدأ على نطاق واسع. من بينها، تُستخ...

تفاصيل الصيانة اليومية للسلسلة الصناعية

تفاصيل الصيانة اليومية للسلسلة الصناعية

السلسلة الصناعية هو المزايا وتفاصيل الصيانة اليومية: 1. إذا كانت سلسلة القيادة خارج الاتجاه، فاضبط عمود الشد في ...

يقدم مصنعو السلسلة الصامتة كيفية التعامل مع خطأ العجلة المسننة المصنوعة من الفولاذ المقاوم للصدأ بشكل صحيح

يقدم مصنعو السلسلة الصامتة كيفية التعامل مع خطأ العجلة المسننة المصنوعة من الفولاذ المقاوم للصدأ بشكل صحيح

السلسلة الصامتة يقدم المصنعون كيفية التعامل بشكل صحيح مع خطأ ضرس الفولاذ المقاوم للصدأ؟ راقب الحركة الأفقية لأسطوانة ال...

يقدم مصنعو سلسلة الدراجات النارية طرقًا شائعة لاستكشاف أخطاء العجلة المسننة وإصلاحها

يقدم مصنعو سلسلة الدراجات النارية طرقًا شائعة لاستكشاف أخطاء العجلة المسننة وإصلاحها

سلسلة دراجة نارية يقدم المصنعون طرقًا شائعة لاستكشاف الأخطاء وإصلاحها للعجلة المسننة: 1. سبب قدرة التحمل غير المتساوية ...

يقدم مصنعو سلسلة الأسطوانة كيفية التعامل بشكل صحيح مع أخطاء العجلة المسننة

يقدم مصنعو سلسلة الأسطوانة كيفية التعامل بشكل صحيح مع أخطاء العجلة المسننة

عندما يكون هناك خطأ في العجلة المسننة المصنوعة من الفولاذ المقاوم للصدأ، فلا ينبغي لنا أن نتسرع في حلها. دعونا نتبع سلسلة الأسطوانة ا...

يقدم مصنعو سلسلة القيادة كيفية إزالة محامل العجلة المسننة التالفة بسرعة

يقدم مصنعو سلسلة القيادة كيفية إزالة محامل العجلة المسننة التالفة بسرعة

سلسلة القيادة قدم المصنعون كيفية إزالة محامل العجلة المسننة التالفة بسرعة: 1. قم بإزالة الأغطية الطرفية والأغطية اللولبية لل...