أخبار

كيفية التعرف على جودة سلسلة القيادة

كيفية التعرف على جودة سلسلة القيادة

كيفية تحديد ما إذا كانت نوعية سلسلة القيادة جيد، دعونا نلقي نظرة على ذلك معا. 1. يمكن تمييز جودة السلسلة عن المظهر ويع...

كيفية منع سلسلة الأسطوانة من الصدأ

كيفية منع سلسلة الأسطوانة من الصدأ

سلسلة الأسطوانة لعبت دورا كبيرا في الإنتاج الصناعي الحالي. ثم بعد الاستخدام لفترة طويلة، ستجد أن المكونات سوف تتقادم أو تفشل تدريجياً. ...

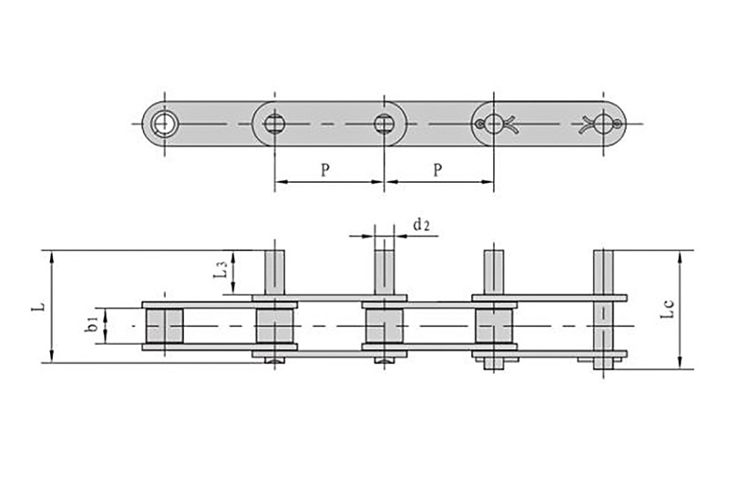
تقدم الشركة المصنعة للسلسلة الزراعية متطلبات استخدام ناقل السلسلة

تقدم الشركة المصنعة للسلسلة الزراعية متطلبات استخدام ناقل السلسلة

السلسلة الزراعية قدمت الشركة المصنعة أن الناقل المتسلسل مناسب لمجموعة متنوعة من البيئات والمتطلبات. وعلى وجه التحديد، يمكن تلخيصها على ...

ما هي أنواع سلسلة النقل؟

ما هي أنواع سلسلة النقل؟

يمكن تقسيم أنواع سلسلة نقل السلسلة إلى سلسلة النقل سلسلة الرفع وسلسلة الجر. تستخدم سلاسل الرفع وسلاسل الجر في آلات الرفع والنقل. تستخ...

الطرق الشائعة لإصلاح العجلة المسننة الصناعية

الطرق الشائعة لإصلاح العجلة المسننة الصناعية

ضرس صناعي هو ملحق سهل الارتداء في الآلات الصناعية. بالنسبة للتروس البالية، يمكننا إصلاحها من خلال بعض الطرق لإطالة عمر خدمة التروس وتقليل الا...

طريقة صيانة سلسلة الناقل

طريقة صيانة سلسلة الناقل

اليوم لمشاركة طريقة صيانة سلسلة الناقل : 1. إن ضيق السلسلة أمر بالغ الأهمية. لا تقم بإفراط في شدها أو فكها، لأن ذلك سيؤدي إ...

يشارك مصنعو سلسلة الأوراق كيفية استخدام سلسلة الرفع المجلفنة بشكل صحيح

يشارك مصنعو سلسلة الأوراق كيفية استخدام سلسلة الرفع المجلفنة بشكل صحيح

اعتمادًا على ارتفاع الرفع لجسم الرفع، يمكن تعديل طول السلسلة لإكمال عملية الرفع والنقل. تعتبر السلسلة المجلفنة جزءًا لا غنى عنه ومهمًا للرافعة. ...

يشارك مصنعو السلاسل الصناعية كيفية الحكم على موثوقية سلاسل الدرابزين

يشارك مصنعو السلاسل الصناعية كيفية الحكم على موثوقية سلاسل الدرابزين

إذا تم استخدام سلسلة الدرابزين، فإن موثوقيتها مهمة جدًا. ما يلي السلسلة الصناعية ستقدم لك الشركة المصنعة كيفية الحكم على موثوقيتها: ...

يمكن استخدام السلسلة الصامتة في إنتاج الأتمتة الزراعية

يمكن استخدام السلسلة الصامتة في إنتاج الأتمتة الزراعية

ل السلسلة الصامتة ففائدته في جميع مناحي الحياة كبيرة نسبيًا. ومن بينهم، أصدقاؤنا المزارعون أقرب إلى السلسلة الصامتة، وهي سلسلة توصيل ...

نقاط يجب ملاحظتها عند شراء سلسلة الدراجات النارية

نقاط يجب ملاحظتها عند شراء سلسلة الدراجات النارية

هناك الكثير من الأشياء التي يجب الانتباه إليها عند الشراء سلسلة دراجة نارية . العديد من الأشخاص المحترفين للغاية لا يفهمون ط...

كيفية إزالة بقع صدأ سلسلة الأسطوانة

كيفية إزالة بقع صدأ سلسلة الأسطوانة

سلسلة الأسطوانة يتمتع بمقاومة قوية للتآكل، ولكن ماذا لو كان به بقع صدأ؟ بادئ ذي بدء، يمكننا أن نفهم أن كريم التخليل هو وسيلة ...

كيفية إزالة بقع الزيت من سلسلة القيادة

كيفية إزالة بقع الزيت من سلسلة القيادة

بعد الاستخدام سلسلة القيادة لفترة طويلة، إذا لم تهتم بصيانة الزيت، فسيكون هناك الكثير من الزيت أو الأوساخ. إذا لم تقم بتنظيفه في الوق...