أخبار

فلسفة تصميم سلسلة النقل وسير العمل

فلسفة تصميم سلسلة النقل وسير العمل

سلسلة النقل ، كجهاز قوة نقل مشترك، يقلل من قوة الاحتكاك من خلال تصميم "السلسلة" للقوس الزائدي. يتم استخدامه في الأماكن التي تكون فيها ا...

كيف تقلل سلسلة الأسطوانة من توليد الكهرباء الساكنة

كيف تقلل سلسلة الأسطوانة من توليد الكهرباء الساكنة

سلسلة الأسطوانة تشبه سلسلة الخزان وتتكون من العديد من وصلات الوحدات. يمكن تدوير الروابط بحرية. الارتفاع الداخلي والارتفاع الخارجي ودرجة...

اشرح بإيجاز سبب تآكل سلسلة الأسطوانة

اشرح بإيجاز سبب تآكل سلسلة الأسطوانة

نظرا لبيئة العمل سلسلة الأسطوانة ، سيكون هناك بطبيعة الحال بعض التآكل، فما هو السبب الرئيسي لتآكل سلسلة الأسطوانة، بما في ذلك النقاط ...

تقدم الشركة المصنعة لسلسلة القيادة سبب تحيز وقت نقل السلسلة

تقدم الشركة المصنعة لسلسلة القيادة سبب تحيز وقت نقل السلسلة

قد يكون هناك أخطاء في النقل والنقل المتسلسل ببطء. على الرغم من أنها ليست كبيرة جدًا، ولكن مع تراكم الوقت، سيكون هناك بعض الأخطاء في الإرسال. كيف يت...

كيفية منع سلسلة النقل من الخلل بشكل فعال

كيفية منع سلسلة النقل من الخلل بشكل فعال

في عملية الإنتاج سلسلة النقل وفي حالة فشل السلسلة، يحتاج المنتج إلى إيجاد الحل الأنسب وفقًا لنموذج الفشل المحدد. بعد ذلك، ستقدم لك ال...

ما هي الأخطاء الشائعة لسلسلة الناقل

ما هي الأخطاء الشائعة لسلسلة الناقل

سلسلة الناقل يستخدم على نطاق واسع في السلاسل الصناعية، مثل آلات نقل المواد الغذائية، ومعدات نقل الأسمدة، وسلاسل آلات التعدين، وما إلى ...

الاحتياطات اللازمة لصيانة سلسلة الأوراق

الاحتياطات اللازمة لصيانة سلسلة الأوراق

متى سلسلة أوراق يتم تثبيته عند تنشيط السلسلة، فمن الضروري التحقق مما إذا كانت السلسلة تعمل بشكل طبيعي وما إذا كان شد سلسلة المنشار طب...

كيفية الحفاظ على العجلة الصناعية

كيفية الحفاظ على العجلة الصناعية

في صيانة ضرس صناعي ، انتبه إلى شكل أسنان العجلة المسننة. يجب أن يضمن شكل سن العجلة المسننة أن السلسلة تدخل وتخرج من الشبكة بسلاسة وم...

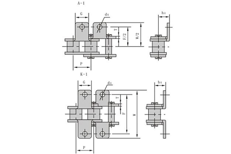
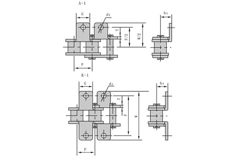
يجب أن يكون عدد وصلات سلسلة الأسطوانة متساويًا

يجب أن يكون عدد وصلات سلسلة الأسطوانة متساويًا

سلسلة الأسطوانة يتم التعبير عن طول السلسلة بعدد الروابط. ويفضل أن يكون عدد روابط السلسلة رقمًا زوجيًا، بحيث عندما تشكل السلاسل حلقة، ي...

العجلة المسننة الصناعية عبارة عن ترس صلب أو بقضبان

العجلة المسننة الصناعية عبارة عن ترس صلب أو بقضبان

ضرس صناعي يشير إلى عجلة ذات أسنان مشبكية من النوع المسنن، والتي تُستخدم للتشابك مع كتلة ذات خطوة دقيقة على سلسلة ربط أو كابل. الع...

كيفية الحفاظ على السلسلة الصناعية لإطالة عمر الخدمة

كيفية الحفاظ على السلسلة الصناعية لإطالة عمر الخدمة

السلسلة الصناعية سوف تصبح متراخية أو حتى منفصلة بعد الاستخدام على المدى الطويل، وكيفية منع مثل هذه المشاكل؟ يجب تحسين توتر السلسل...

خطوات استبدال سلسلة الدراجات النارية

خطوات استبدال سلسلة الدراجات النارية

عندما سلسلة دراجة نارية ليتم استبداله، تجدر الإشارة إلى أنه يجب استبدال السلسلة والعجلة المسننة معًا. ستعمل السلسلة الجديدة على تسريع...