أخبار

تطبيق السلسلة الزراعية في الأتمتة الزراعية

تطبيق السلسلة الزراعية في الأتمتة الزراعية

بالنسبة للسلاسل الصناعية، ففائدتها في جميع مناحي الحياة كبيرة نسبيًا. ويمكن ملاحظة أن إنتاجنا لا ينفصل عن تعاون السلاسل الصناعية. السلسلة ا...

المزايا الفريدة لسلسلة النقل

المزايا الفريدة لسلسلة النقل

يمكن تقسيم السلسلة إلى سلسلة نقل وسلسلة رفع وسلسلة جر. تستخدم سلاسل الرفع وسلاسل الجر في آلات الرفع والنقل. تستخدم سلاسل النقل على نطاق واسع في ناق...

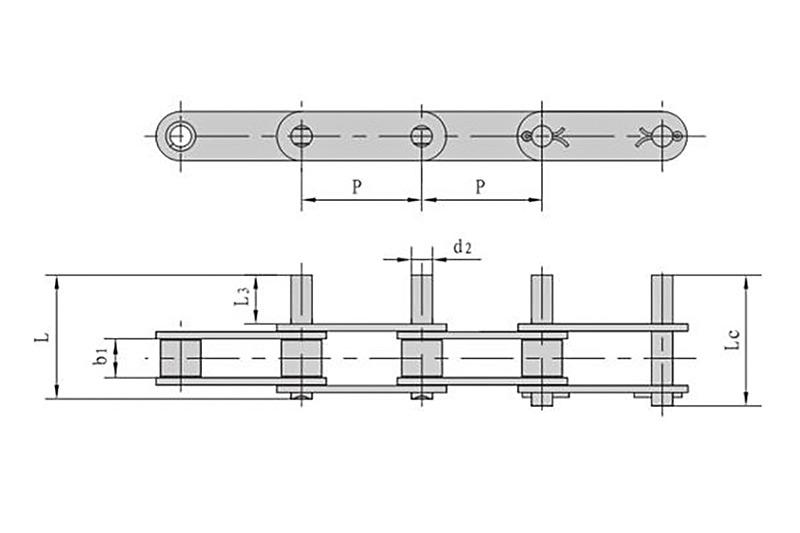
ما هي خطوات تصميم سلسلة النقل

ما هي خطوات تصميم سلسلة النقل

في عملية التصميم والإنتاج سلسلة النقل هناك أربع خطوات حاسمة: التقطيع والتضفير واللحام و"التشكيل" والمعالجة الحرارية. بعد ذلك، ستقوم ا...

أربع طرق تزييت تستخدم في سلسلة الناقل

أربع طرق تزييت تستخدم في سلسلة الناقل

في صناعة السلسلة، سلسلة الناقل هو نوع سلسلة شائعة الاستخدام. كما يحتاج إلى صيانة زيت التشحيم أثناء استخدامه. فكيف تختار زيت التشحيم ا...

ما هي وظائف سلسلة الأوراق

ما هي وظائف سلسلة الأوراق

نظرًا لأن مكونات سلسلة الشفرة متشابهة في الحجم مع سلسلة الأسطوانة القياسية، فإن الإنتاج الاقتصادي لسلسلة الشفرة يعتمد إلى حد كبير على المصنع الذي ي...

هيكل وخصائص السلسلة الصامتة

هيكل وخصائص السلسلة الصامتة

هيكل السلسلة الصامتة الأمر بسيط جدًا: اللوحات والدبابيس فقط. هناك ثمانية ملاعب مختلفة من 9.52 ملم إلى 50.8 ملم. تتحمل لوحة الوصل...

تفاصيل ضمان سلسلة الأسطوانة

تفاصيل ضمان سلسلة الأسطوانة

ال سلسلة الأسطوانة يتكون من لوحة سلسلة داخلية ولوحة سلسلة خارجية ودبوس وغطاء وبكرة. الre is an interference fit between the inne...

سوف يبلى العجلة المسننة الصناعية لفترة طويلة

سوف يبلى العجلة المسننة الصناعية لفترة طويلة

كلنا سنجد ذلك إذا استخدمنا ضرس صناعي لفترة طويلة، سنجد أن Industrial Sprocket لديها ظاهرة التآكل: أثناء عملية ربط العجلة المسننة...

الفرق بين العجلة المسننة الصناعية والبكرة المتزامنة

الفرق بين العجلة المسننة الصناعية والبكرة المتزامنة

العجلة المسننة هي أيضًا عجلة مسننة من النوع المسنن، والتي تُستخدم للتشابك بدقة مع حلقة سلسلة الملعب أو خطوة الكابل. إنه ينتمي إلى النوع الصلب أو ال...

ما هو نوع زيوت التشحيم المناسب للسلسلة الصناعية؟

ما هو نوع زيوت التشحيم المناسب للسلسلة الصناعية؟

تتميز المادة الزيتية السائلة المستخدمة في تزييت السلسلة بوظائف التشحيم ومنع الصدأ ومقاومة الماء ومقاومة الاحتكاك للسلاسل الصناعية. وفقًا للزيوت الأ...

تصميم سلسلة القيادة موجود في كل مكان في الحياة

تصميم سلسلة القيادة موجود في كل مكان في الحياة

سلسلة القيادة التصاميم موجودة في كل مكان في الحياة. إذًا كيف يتم تصميم مبدأ سلسلة القيادة؟ سلسلة القيادة هي طريقة نقل تنقل حركة وقوة ا...

تقدم الشركة المصنعة للسلسلة الزراعية طريقة صيانة السلسلة الميكانيكية

تقدم الشركة المصنعة للسلسلة الزراعية طريقة صيانة السلسلة الميكانيكية

فيما يتعلق بصيانة السلاسل الميكانيكية، سيتم وصف ما يلي من قبل الشركة المصنعة لـ hzqjchain السلسلة الزراعية بناء على تجربتهم الخاصة. ...