أخبار

يقدم مصنعو سلسلة الأوراق الاحتياطات اللازمة لتنظيف السلسلة

يقدم مصنعو سلسلة الأوراق الاحتياطات اللازمة لتنظيف السلسلة

معظم السلاسل الموجودة في السوق مصنوعة من الفولاذ المقاوم للصدأ لأن المادة الخام للفولاذ المقاوم للصدأ صلبة نسبيًا. قدرة تحمل قوية، ولكن بعد الاس...

يقدم مصنعو السلسلة الصناعية كيفية التمييز بين نوع السلسلة

يقدم مصنعو السلسلة الصناعية كيفية التمييز بين نوع السلسلة

سلسلة النقل مناسبة لطلاء الخبز، وطلاء المعادن، وخطوط تجميع الإنتاج في المصانع، مثل مصانع الأثاث، ومصانع معدات الطلاء، ومصانع الرش، ومصانع الإلكت...

تقدم الشركة المصنعة للسلاسل الصامتة طرق قياس معقولة للسلاسل

تقدم الشركة المصنعة للسلاسل الصامتة طرق قياس معقولة للسلاسل

هل السلسلة الصامتة تقدم الشركة المصنعة ما هي طرق القياس المعقولة للسلاسل؟ 1. من أجل إزالة كل ردود الفعل العكسية للسلسلة...

تقدم الشركة المصنعة لسلسلة الدراجات النارية طريقة تنظيف سلسلة الفولاذ المقاوم للصدأ

تقدم الشركة المصنعة لسلسلة الدراجات النارية طريقة تنظيف سلسلة الفولاذ المقاوم للصدأ

سلسلة دراجة نارية تقدم الشركة المصنعة سلسلة من الفولاذ المقاوم للصدأ كمعدات نقل عالمية. وفقًا لمخطط تصميم "مشبك السلسلة" ذو القوس الزائ...

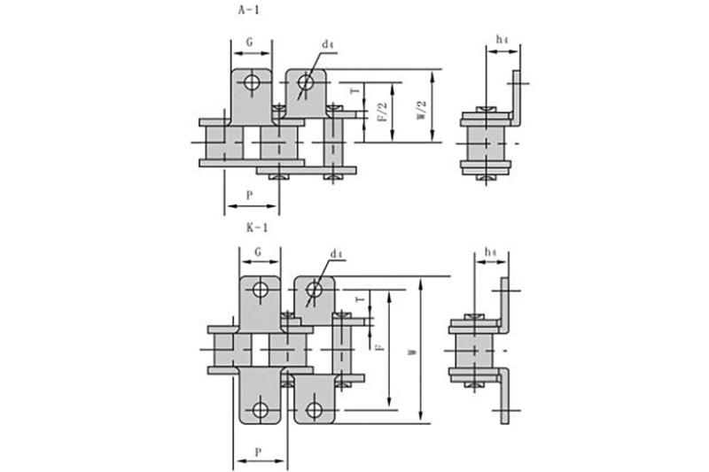
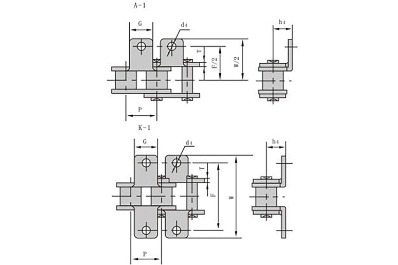
يقدم مصنعو سلسلة الأسطوانة مبدأ تصميم شكل الأسنان للعجلة المسننة

يقدم مصنعو سلسلة الأسطوانة مبدأ تصميم شكل الأسنان للعجلة المسننة

سلسلة الأسطوانة يقدم المصنعون مبادئ تصميم ملف تعريف الأسنان المسننة: 1. شكل المظهر الجانبي لأسنان العجلة المسننة: خط مستقيم ث...

يقدم مصنعو سلسلة القيادة المهارات العملية للعجلة المسننة

يقدم مصنعو سلسلة القيادة المهارات العملية للعجلة المسننة

سلسلة القيادة يقدم المصنعون المهارات العملية للعجلة المسننة: 1. يجب أن يكون ضيق العجلة المسننة مناسبًا. سيؤدي التضييق الشديد...

الاحتياطات اللازمة لاستخدام السلسلة الزراعية

الاحتياطات اللازمة لاستخدام السلسلة الزراعية

السلسلة الزراعية يمكن أن تؤثر الأخطاء على صحة حركة الأداة، وفي بعض الحالات، يكون هذا هو العامل الرئيسي الذي يؤثر على دقة المعالجة. على...

كيفية مسح سلسلة النقل بشكل صحيح

كيفية مسح سلسلة النقل بشكل صحيح

يمكنك أيضًا استخدام الماء الساخن والصابون أو معقم اليدين، أو استخدام فرشاة أسنان مهملة أو فرشاة أكثر صلابة قليلاً. شطف مباشرة بالماء. تأثير التنظيف...

يقدم مصنعو سلسلة النقل كيفية الحفاظ على السلسلة بشكل صحيح يوميًا

يقدم مصنعو سلسلة النقل كيفية الحفاظ على السلسلة بشكل صحيح يوميًا

يمكن لسلسلة الرفع المصنوعة من الفولاذ المقاوم للصدأ ضبط طول السلسلة وفقًا لارتفاع الرفع لجسم الرفع. إنه جهاز رفع لا غنى عنه ومهم للرافعة. إنها ت...

يقدم مصنعو العجلة المسننة الصناعية تقنيات التعامل مع رواسب الكربون المتسلسلة

يقدم مصنعو العجلة المسننة الصناعية تقنيات التعامل مع رواسب الكربون المتسلسلة

عند استخدام سلاسل الفولاذ المقاوم للصدأ في المعدات الميكانيكية، ستلتصق حتماً بعض الأوساخ، ومعظمها عبارة عن رواسب كربون وبقع زيتية. ومع ذلك، هناك...

يقدم مصنعو سلسلة الأوراق سبب كسر السلسلة

يقدم مصنعو سلسلة الأوراق سبب كسر السلسلة

سلسلة أوراق قدم المصنعون الأسباب والحلول التي تسببت في كسر السلسلة: 1. أثناء الاستخدام، وبسبب الاستخدام طويل الأمد، تتآكل بعض...

يقدم مصنعو السلاسل الصناعية خصائص السلاسل عالية الجودة

يقدم مصنعو السلاسل الصناعية خصائص السلاسل عالية الجودة

السلسلة الصناعية يقدم المصنعون خصائص السلاسل عالية الجودة: 1. الموثوقية والحماية الجيدة. يجب أن تكون سلسلة النقل قادرة ...